Arduino Nano Schematic - Diy Arduino Nano Arduino Project Hub - Although in most cases the functionality is similar or even identical to the original, there may be some differences.

Arduino Nano Schematic - Diy Arduino Nano Arduino Project Hub - Although in most cases the functionality is similar or even identical to the original, there may be some differences.. Home>explore> arduino nano schematic (ch340g) shyamjipatel07. Intergrating arduino nano board into pcb design greetings, i'm excited to learn pcb design in fusion and it came at a great time because i want to design my first pcb board this year. I am particularly interested in finding out if the vusb and vin are connected together before i do powered up in circuit debugging. This will allow you to make larger programs than with the arduino uno (it has 50% more program memory), and with a lot more variables (the ram is 200% bigger). I got a dso nano today and upgraded the firmware, thx to you.

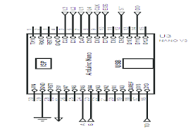
Arduino nano atmega238p/ch340g v3.0 pcb layout: 06/11/2014 10:18:30 d:\downloads\arduinonano30eagle\arduino nano2.sch (sheet: Arduino nano pinout description the arduino nano pins, similar to the uno, is divided into digital pins, analog pins and power pins. The arduino nano every is a pin equivalent and evolved version of the arduino nano board. It has more or less the same functionality of the arduino duemilanove, but in a different package.

Line Follower Basic Using Arduino Nano Trybotics
Line Follower Basic Using Arduino Nano Trybotics from cdn.instructables.com
What things you will need: The nano has two more analog … These are my notes about the nano atmega238p/ch340g that is popular on ebay. Arduino (brand) | arduino uno | arduino uno projects | arduino uno r3 projects | atmega328p | atmega328p projects | atmega328p standalone | circuit design | circuit design for beginners | circuit design tutorial | circuit design tutorial for beginners | electronics | how to | how to use kicad software | kicad. 2 arduino nano pin layout d1/tx (1) (30) vin d0/rx (2) (29) gnd reset (3) (28) reset Arduino, eagle, and schematic files. It has more or less the same functionality of the arduino duemilanove, but in a different package. Although in most cases the functionality is similar or even identical to the original, there may be some differences.

Each arduino (i/o) pin including the 5v dc and gnd pins are available for easy connection to the sensors and other devices.

The arduino nano every is a pin equivalent and evolved version of the arduino nano board. May 21, 2021, 4:23am #1. It has everything that diecimila/duemilanove has (electrically) with more analog input pins and onboard +5v aref jumper. It is a smallest, complete, and breadboard friendly. Arduino nano v3 schematic by facybulka posted on september 17, 2019 165 views. The nano board weighs around 7 grams with dimensions of 4.5 cms to 1.8 cms (l to b). I am particularly interested in finding out if the vusb and vin are connected together before i do powered up in circuit debugging. Schematic diagram of the arduino pro mini. Physically, it is missing power jack. Line follower basic using arduino nano 5 steps. These are my notes about the nano atmega238p/ch340g that is popular on ebay. The arduino nano every is an evolution of the traditional arduino nano board but features a lot more powerful processor, the atmega4809. The board is going to be based around an arduino nano, so it will be a board that i will solder a nano to along with other components.

Hi, where can i find a genuine circuit diagram for the arduino nano every please? Check the forums (link below) for this thread. Pn532 nfc rfid module for arduino osoyoo com. The nano board weighs around 7 grams with dimensions of 4.5 cms to 1.8 cms (l to b). In this instructable, i will show you how to make your very own arduino nano.

Arduino Nano Projects Circuitmaker
Arduino Nano Projects Circuitmaker from s3.amazonaws.com
Arduino (brand) | arduino uno | arduino uno projects | arduino uno r3 projects | atmega328p | atmega328p projects | atmega328p standalone | circuit design | circuit design for beginners | circuit design tutorial | circuit design tutorial for beginners | electronics | how to | how to use kicad software | kicad. The board facilitates the easy connection between arduino nano and other devices. It has more or less the same functionality of the arduino duemilanove, but in a different package. I got a dso nano today and upgraded the firmware, thx to you. Homepage / schaltplan / arduino nano v3 schematic. It is a smallest, complete, and breadboard friendly. These are my notes about the nano atmega238p/ch340g that is popular on ebay. Arduino nano is a surface mount breadboard embedded version with integrated usb.

Raspberry pi 2x arduino nano v3 0 frozentux.

It has more or less the same functionality of the arduino duemilanove, but in a different package. Physically, it is missing power jack. It has more or less the same functionality of the arduino duemilanove, but in a different package. This will allow you to make larger programs than with the arduino uno (it has 50% more program memory), and with a lot more variables (the ram is 200% bigger). Schematic diagram of the arduino uno download the atmel datasheet for the atmega328 chip used in the uno, robored and nano. Hi could someone check my arduino nano schematic, i ordered the pcb board and tried to burn the bootloader but i didn't succeed so i thought that the problem could be from the schematic. The board is going to be based around an arduino nano, so it will be a board that i will solder a nano to along with other components. What things you will need: May 21, 2021, 4:23am #1. It comes with an even more powerful processor atmega4809 (20mhz) and a larger ram capacity of 6 kb (3 times). 06/11/2014 10:18:30 d:\downloads\arduinonano30eagle\arduino nano2.sch (sheet: The reference design of arduino nano 3.0 was converted into designspark pcb format and you may download the project's files and bom list in the download section at the bottom. Arduino nano is a surface mount breadboard embedded version with integrated usb.

2 arduino nano pin layout d1/tx (1) (30) vin d0/rx (2) (29) gnd reset (3) (28) reset It has everything that diecimila/duemilanove has (electrically) with more analog input pins and onboard +5v aref jumper. I can find several iterations of the nano schematics and they are all different one has a scottky diode between vusb and vin, one has a 'varistor' and one. The arduino nano every is an evolution of the traditional arduino nano board but features a lot more powerful processor, the atmega4809. The board facilitates the easy connection between arduino nano and other devices.

Arduino Nano Pinout Schematic And Specifications In Detail
Arduino Nano Pinout Schematic And Specifications In Detail from i2.wp.com
06/11/2014 10:18:30 d:\downloads\arduinonano30eagle\arduino nano2.sch (sheet: We've created a well explained, diagram based pin out representation of arduino nano. The arduino nano every is a pin equivalent and evolved version of the arduino nano board. These are my notes about the nano atmega238p/ch340g that is popular on ebay. It comes with an even more powerful processor atmega4809 (20mhz) and a larger ram capacity of 6 kb (3 times). This design is different from the official nano schematic, and i … It has everything that diecimila/duemilanove has (electrically) with more analog input pins and onboard +5v aref jumper. Physically, it is missing power jack.

This is a nano expansion i/o shield (breakout board) for the arduino nano.

What things you will need: 2 arduino nano pin layout d1/tx (1) (30) vin d0/rx (2) (29) gnd reset (3) (28) reset This design is different from the official nano schematic, and i … Schematic diagram of the arduino nano. In this instructable, i will show you how to make your very own arduino nano. In this guide, learn about arduino nano pin outs and diagrams. The board is going to be based around an arduino nano, so it will be a board that i will solder a nano to along with other components. Arduino nano 3.1 item# armb‐0022. Arduino nano pinout, schematic and specifications in detail the arduino nano development board was first released in 2008 by arduino and is one of the most popular arduino boards. Pn532 nfc rfid module for arduino osoyoo com. This is a nano expansion i/o shield (breakout board) for the arduino nano. Arduino, eagle, and schematic files. Hi could someone check my arduino nano schematic, i ordered the pcb board and tried to burn the bootloader but i didn't succeed so i thought that the problem could be from the schematic.

Arduino nano is a surface mount breadboard embedded version with integrated usb arduino nano. Raspberry pi 2x arduino nano v3 0 frozentux.

Comments